电话:18038060509(张先生)/18028765234(陈先生)/13802295339(甘先生) 邮箱:707609798@qq.com

产品展示

CH13

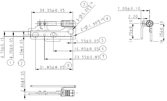
扭 力 值:2.8-3.5kgf.cm (可调) 转轴功能:0度-130度有自闭合功能; 寿命要求:15000次,衰减±20%以内; 产品材料符合ROHS规范 ;

产品内容

扭 力 值:2.8-3.5kgf.cm (可调)
转轴功能:0度-130度有自闭合功能;
寿命要求:15000次,衰减±20%以内;
产品材料符合ROHS规范 ;

【前一条】 CH14

【后一条】 CH12

首页 产品 手机 顶部