电话:18038060509(张先生)/18028765234(陈先生)/13802295339(甘先生) 邮箱:707609798@qq.com

产品展示

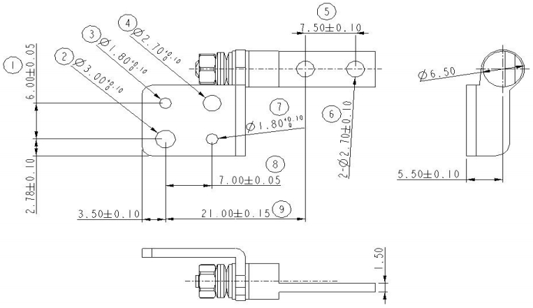
CH09

扭 力 值:3.2-3.8kgf.cm (可调) 转轴功能:0-360度之间的任意角度停顿; 寿命要求:10000次,衰减±20%以内; 产品材料符合ROHS规范 ;

产品内容

扭 力 值:3.2-3.8kgf.cm (可调)
转轴功能:0-360度之间的任意角度停顿;
寿命要求:10000次,衰减±20%以内;
产品材料符合ROHS规范 ;


扭 力 值:3.2-3.8kgf.cm (可调)
转轴功能:0-360度之间的任意角度停顿;
寿命要求:10000次,衰减±20%以内;
产品材料符合ROHS规范 ;


【前一条】 CH22

【后一条】 CH08

首页 产品 手机 顶部