CH72
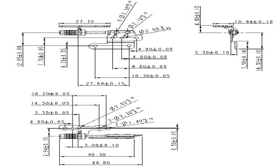
扭 力 值:2.9-3.5kgf.cm (可调)
转轴功能:0-118度之间的任意角度停顿;
寿命要求:15000次,衰减±20%以内;
产品材料符合ROHS规范 ;
产品内容
扭 力 值:2.9-3.5kgf.cm (可调)
转轴功能:0-118度之间的任意角度停顿;
寿命要求:15000次,衰减±20%以内;
产品材料符合ROHS规范 ;
相关新闻
- 微观和宏观影响者:如何工作 [2025-02-28]
- 如何进行竞争性定价分析 [2025-02-28]
- 如何制定营销策略:你需要知道的一切 [2025-02-28]
- 七彩虹将星X18Max游戏本,畅享电竞新境界 [2025-02-28]

