电话:18038060509(张先生)/18028765234(陈先生)/13802295339(甘先生) 邮箱:707609798@qq.com

产品展示

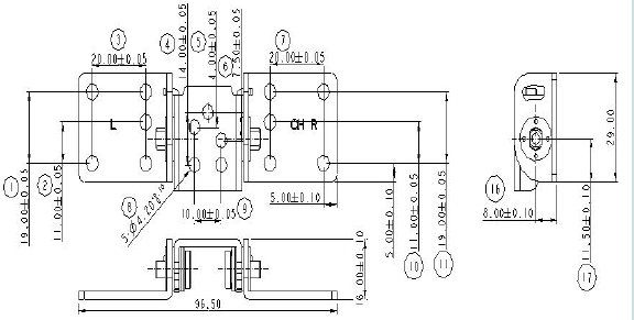
CH60

扭 力 值:46-54kgf.cm (可调) 转轴功能:前倾角度5度/后仰角度15度 寿命要求:3000次,衰减±20%以内; 产品材料符合ROHS规范 ;

产品内容

扭 力 值:46-54kgf.cm (可调)
转轴功能:前倾角度5度/后仰角度15度
寿命要求:3000次,衰减±20%以内;
产品材料符合ROHS规范 ;

【前一条】 CH59

【后一条】 CH61

首页 产品 手机 顶部