电话:18038060509(张先生)/18028765234(陈先生)/13802295339(甘先生) 邮箱:707609798@qq.com

产品展示

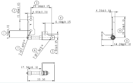
CH57

扭 力 值:2.2-2.8kgf.cm (可调) 转轴功能:0-360度之间的任意角度停顿,有 自闭合功能; 寿命要求:10000次,衰减±20%以内;

产品内容

扭 力 值:2.2-2.8kgf.cm (可调)
转轴功能:0-360度之间的任意角度停顿,有
自闭合功能;
寿命要求:10000次,衰减±20%以内;

【前一条】 CH56

【后一条】 CH67

首页 产品 手机 顶部